Abbott Analytical Products



Copyright © 1988-2020 by Abbott Analytical Products. All Rights Reserved.



venti: Global and Local Instances

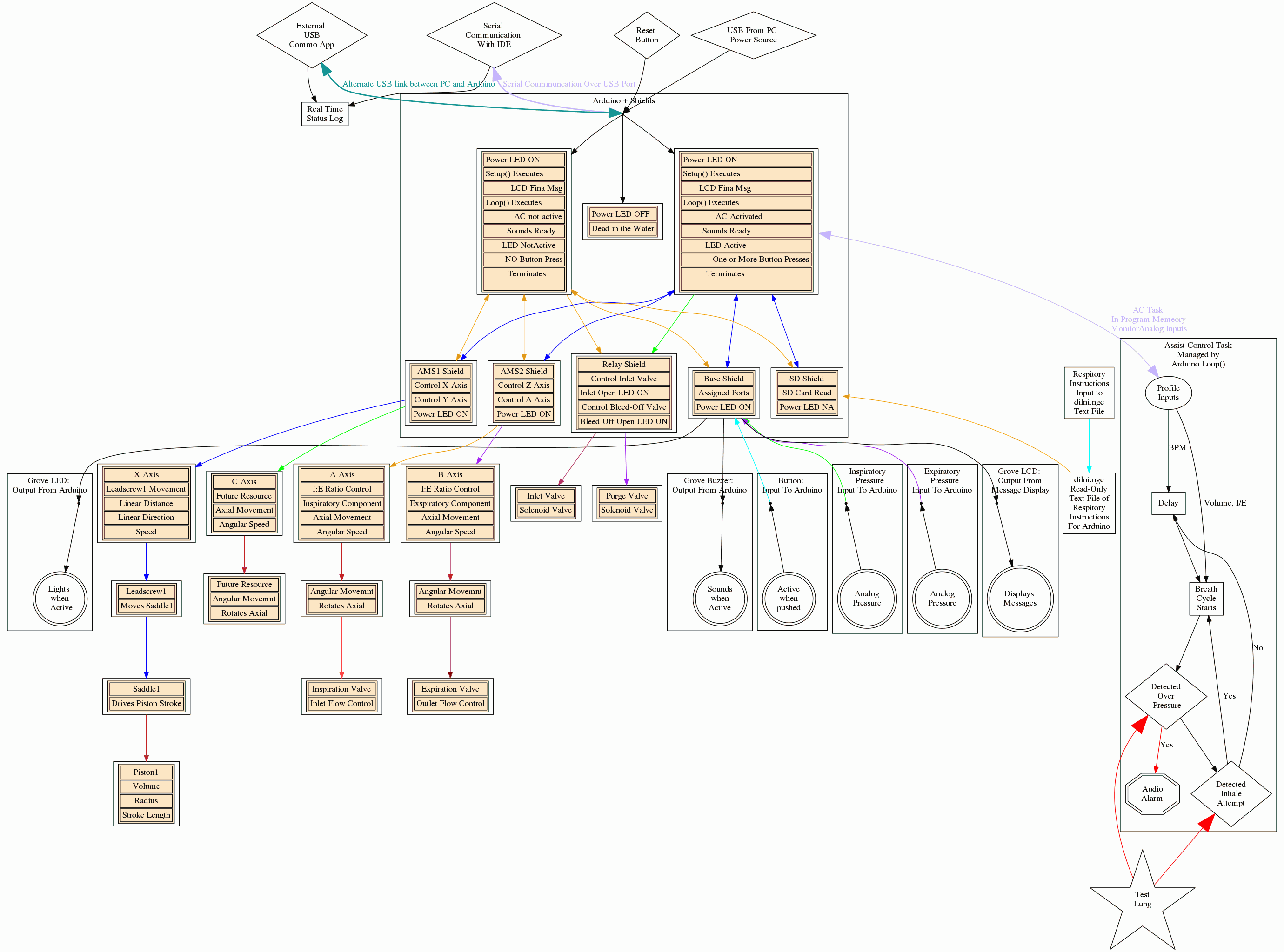
This flow chart is accurate.

However, some of the links to supporting web pages reflect the parentage of a31_speed_gun_004. As time permits, future revisons will move from those links to specific a034_nc_chickadee project.